
電話:0769-81666152
手機:15384224757
QQ:420867215
郵箱:zheng@dgpindi.com
地址:廣東省東莞市長安鎮長安振安西路78號1號樓四樓

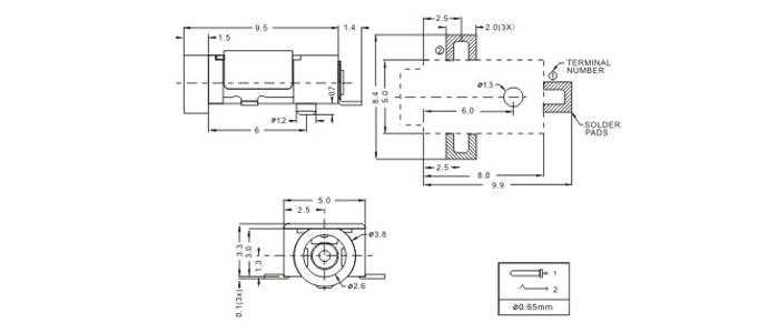
産品描述
技術指標:
| 使用溫度范圍 | -20-70℃ | 耐壓 | AC250V(50Hz)/min |
| 額定負荷 | DC 30V 0.5A-2.0A | 動作力 | 3~20N |
| 接觸電阻 | ≤0.05Ω | 壽命 | 5000次 |
| 絕緣電阻 | ≥100MΩ |
|
|